MOS管在電動車窗中的應用分享-KIA MOS管
信息來源:本站 日期:2021-03-29
一、電動車窗類型介紹
隨現代科技的發展,電動車窗在汽車的應用領域幾乎成為了必備之物。
而mos管在電動車窗的關鍵部位——開關,占據了非常重要的位置。電動車窗開關分為功率型和信號型兩種,功率型為開關直接控制車窗電動機,信號型為開關先向汽車車身控制模塊(BodyControlmodule,BCM)提供信號,再由BCM驅動電動車窗。
BCM成本較高,出于成本控制方面考慮,功率型電動車窗開關成本更細,使用便利,選擇使用功率型電動車窗開關則成了汽車領域的應用首選。
二、電動車窗中應用MOS管可能存在的問題
電動車窗系統的繼電器可能存在出點燒毀的風險,在繼電器開關的過程中,觸電之間存在著反電動勢,產生電弧。
為了解決這一問題,需要保證在開合繼電器時,觸電間的電勢差為零,電壓為零。而觸電間要保持電勢差不變,條件是繼電器必須要一個斷路中進行工作,這時線路中可以通過添加電子開關來達到想要效果。
用mosfet場效應管作為電子開關,等mos管將回路斷開,繼電器才開始工作,此時及電磁觸電不產生電勢差。
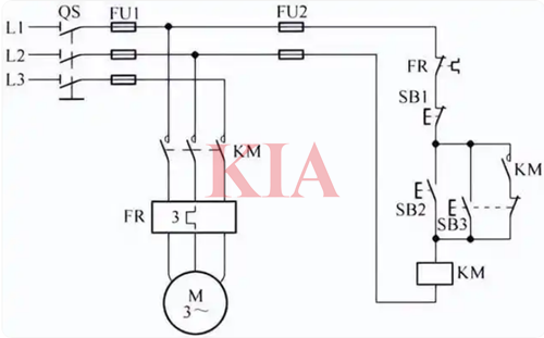
【原理圖】
原理圖如圖所示。接通開關時,MOS管呈斷開狀態,繼電器觸電間沒有電流存在所以無電勢差,閉合繼電器開關觸電不產生電弧。待繼電器閉合后,mos管再連通,馬達開啟,電動車窗可順利工作。
當馬達停止工作時,MOS管需要先行斷開,繼電器觸電此時不受影響。馬達關閉后,繼電器觸電不存在電勢差,無電流,可斷開繼電器觸電而不產生電弧。
對于應用在電動車窗電流開關的mos管,其性能要求稍高,且馬達的反峰電壓會對mos管產生影響,需要mos管有一定的耐壓能力。
KIA半導體專業生產MOS管場效應管廠家(國家高新技術企業)成立于2005年,公司成立初期就明確立足本土市場,研發為先導,了解客戶需求,運用創新的集成電路設計方案和國際同步研發技術,結合中國市場的特點,向市場推出了BIPOLAR,CMOS,MOSSFET等電源相關產品。

產品的穩定性,高性價比,良好的服務,以及和客戶充分的技術,市場溝通的嚴謹態度,在移動數碼,LCE,HID,LED,電動車,開關電源,逆變器,節能燈等領域深得客戶認可。

這過去的2007年,KIA一韓國技術研發人員為核心的設計團隊,成功完成最新型工藝為代表MOSFET產品的設計和生產定型,大幅度降低了產品的RDS(ON),提高客戶產品的轉換效率,并率先將該類型產品在中國市場推出,產品的相關測試數據均達到歐美同類產品,同樣這高溫可靠性和穩定性方面表現優秀。
KIA半導體持續改進,永不止步期待與您一起努力向市場提供,更高性價比產品,共同提升核心競爭力。KIA從研發設計到制造封裝,再到倉儲和物流等擁有專業的團隊,讓客戶從一個想法變成成品,讓客戶產品亮點無限擴大的一體化服務。
聯系方式:鄒先生
聯系電話:0755-83888366-8022
手機:18123972950
QQ:2880195519
聯系地址:深圳市福田區車公廟天安數碼城天吉大廈CD座5C1
請搜微信公眾號:“KIA半導體”或掃一掃下圖“關注”官方微信公眾號
請“關注”官方微信公眾號:提供 MOS管 技術幫助

