直流降壓原理及直流降壓電路原理圖-KIA MOS管
信息來源:本站 日期:2021-04-12
斬波電路的典型用途之一是拖動直流電動機,也可帶蓄電池負載,兩種情況下負載中均會出現反電動勢,如下圖中Em所示
工作原理,兩個階段
如下圖所示,LM317輸出電流為1.5A,輸出電壓可在1.25-37V之間連續調節,其輸出電壓由兩只外接電阻R1、RP1決定,輸出端和調整端之間的電壓差為1.25V,這個電壓將產生幾毫安的電流,經R1、RP1到地,在RP1上分得的電壓加到調整端,通過改變RP1就能改變輸出電壓。
注意,為了得到穩定的輸出電壓,流經R1的電流小于3.5mA。LM317在不加散熱器時最大功耗為2W,200×200×4mm3散熱板時其最大功耗可達15W。VD1(IN4002)為保護二極管,防止穩壓器輸出端短路而損壞IC,VD2(IN4002)用于防止輸入短路而損壞集成電路。
簡單直流降壓電路圖-48V輸入12V輸出直流降壓電路
48V輸入12V輸出的直流降壓電路如下圖所示:

直流穩壓電源是一種將220V工頻交流電轉換成穩壓輸出的直流電的裝置,它需要變壓、整流、濾波、穩壓四個環節才能完成。一般由電源變壓器、整流濾波電路及穩壓電路所組成,基本框圖如下:
直流穩壓電源的原理框圖和波形變換圖
1、降壓部分
電源變壓器是降壓變壓器,它的作用是將220V的交流電壓變換成整流濾波電路所需要的交流電壓Ui。變壓器的變比由變壓器的副邊按比例確定,變壓器副邊與原邊的功率比為P2/P1=n,式中n是變壓器的效率。
2、整流部分
該設計采用單相橋式整流電路。其由四只二極管組成,其構成原則就是保證在變壓器副邊電壓u的整個周期內,負載上的電壓和電流方向始終不變。為達到這一目的,需要在Uz的正、負半周內正確引導流向負載的電流,使其方向不變,設變壓器副邊兩端分別為a和
b,則a為“+”b為“一”時應有電流流出a點,a為“一”b為“+”時應有電流流入a點;相反,a為“+”b為“一”時應有電流流入b點,因而a和b點均應接兩只二極管,以引導電流,具體電路原理如下圖所示。
單相橋式整流電路
如果橋式整流電路變壓器副邊中點接地,就應將兩個負載電阻相連接且連接中點接地。根據橋式整流電路的工作原理,當a點為“+”b點為“一”時,Dl、D3導通,D2、D4截止,U01=U2,U02=一U2;而當b點為“+”a點為“一”時,D2、D4導通,D1、D3截止,U01=一U2,U02=U2,這樣兩個負載上就分別獲得正、負電壓。
若設變壓器副邊電壓u2=U2sinwt,U2為其有效值。當u2為正半周時,電流由a點流出,經Dl、RL、D3流入b點,因而負載電阻RL上的電壓等于變壓器副邊電壓,即uo=u2,D2和D4管承受的反向電壓為一u2。當u2為負半周時,電流由b點流出,經D2、RL、D4流入a點,負載電阻RL上的電壓等于一u2,即uo=一u2,D1、D3承受的反向電壓為u2。這樣,由于D1、D3和D2、D4兩對二極管交替導通,致使負載電阻RL上在u2的整個周期內都有電流通過,而且方向不變,則輸出電壓uo=|U2sinwt|。
3、濾波電路
經過整流后的直流電幅值變化很大,會影響電路的工作性能。可利用電容的“通交流,隔直流”的特性,在電路中并人兩個并聯電容作為電容濾波器,濾去其中的交流成分。
電容濾波電路是最常見也是最簡單的濾波電路,在整流電路的輸出端(即負載電阻兩端)并聯一個電容即構成電容濾波電路。濾波電容容量較大,因此一般均采用電解電容,在接線時要注意電解電容的正負極。電容濾波電路利用電容的充、放電作用,使輸出電壓趨于平滑。如果將兩個濾波電容相連接,且連接點接地,就可同時得到輸出電壓平滑的正負電源。
在理想情況下,變壓器副邊無損耗,二極管導通電壓為零,所以電容兩端電壓相等。而當其上升到峰值后開始下降,電容便通過負載電阻放電,其電壓也開始下降,趨勢與電容兩端電壓基本相同。但是由于電容按指數規律放電,所以當其下降到一定數值后,電容將繼續通過負載放電,電容兩端電壓按指數規律緩慢下降。
將220V交流電轉換為低壓直流的常規方法是采用變壓器降壓后再整流濾波,但是當產品受體積和成本等因素的限制時,最簡單實用的方法就是采用電容降壓方式。
一、電路原理
電容降壓式簡易電源的基本電路如圖1,C1為降壓電容器,VD2為半波整流二極管,VD1在市電的負半周時給C1提供放電回路,VD3是穩壓二極管,R1為關斷電源后C1的電荷泄放電阻。在實際應用時常常采用的是圖2的所示的電路。當需要向負載提供較大的電流時,可采用圖3所示的橋式整流電路。
整流后未經穩壓的直流電壓一般會高于30伏,并且會隨負載電流的變化發生很大的波動,這是因為此類電源內阻很大的緣故所致,故不適合大電流供電的應用場合。
二、器件選擇
1.電路設計時,應先測定負載電流的準確值,然后參考示例來選擇降壓電容器的容量。因為通過降壓電容C1向負載提供的電流Io,實際上是流過C1的充放電電流Ic。C1容量越大,容抗Xc越小,則流經C1的充、放電電流越大。當負載電流Io小于C1的充放電電流時,多余的電流就會流過穩壓管,若穩壓管的最大允許電流Idmax小于Ic-Io時易造成穩壓管燒毀。
2.為保證C1可靠工作,其耐壓選擇應大于兩倍的電源電壓。
3.泄放電阻R1的選擇必須保證在要求的時間內泄放掉C1上的電荷。
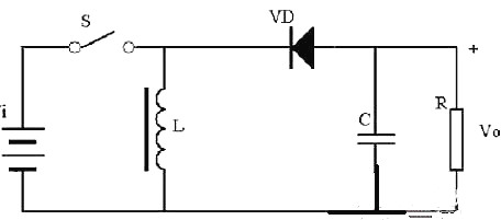
DC-DC變換器的基本電路有升壓變換器、降壓變換器、升降壓變換器三種。
降壓變換器原理圖如圖1所示,當開關閉合時,加在電感兩端的電壓為(Vi-Vo),此時電感由電壓(Vi-Vo)勵磁,電感增加的磁通為:(Vi-Vo)*Ton。
當開關斷開時,由于輸出電流的連續,二極管VD變為導通,電感削磁,電感減少的磁通為:(Vo)*Toff。
當開關閉合與開關斷開的狀態達到平衡時,(Vi-Vo)*Ton=(Vo)*Toff,由于占空比D《1,所以Vi》Vo,實現降壓功能。
降壓變換器原理圖
升壓變換器原理圖如下圖所示,當開關閉合時,輸入電壓加在電感上,此時電感由電壓(Vi)勵磁,電感增加的磁通為:(Vi)*Ton。
當開關斷開時,由于輸出電流的連續,二極管VD變為導通,電感削磁,電感減少的磁通為:(Vo-Vi)*Toff。
當開關閉合與開關斷開的狀態達到平衡時,(Vi)*Ton=(Vo-Vi)*Toff,由于占空比D《1,所以Vi。
升壓變換器原理圖
升降壓變換器、入出極性相反原理如下圖,當開關閉合時,此時電感由電壓(Vi)勵磁,電感增加的磁通為:(Vi)*Ton;當開關斷開時,電感削磁,電感減少的磁通為:(Vo)*Toff。當開關閉合與開關斷開的狀態達到平衡時,增加的磁通等于減少的磁通,(Vi)*Ton=(Vo)*Toff,根據Ton比Toff值不同,可能Vi《Vo,也可能Vi》Vo。
聯系方式:鄒先生
聯系電話:0755-83888366-8022
手機:18123972950
QQ:2880195519
聯系地址:深圳市福田區車公廟天安數碼城天吉大廈CD座5C1
請搜微信公眾號:“KIA半導體”或掃一掃下圖“關注”官方微信公眾號
請“關注”官方微信公眾號:提供 MOS管 技術幫助