60v,48v,24v電動車控制器電路圖分享-KIA MOS管
信息來源:本站 日期:2024-06-07
電動車控制器是控制電動車電機的啟動、運行、進退、速度、停止以及電動車的其它電子器件的核心控制器件,它就像是電動車的大腦,是電動車上重要的部件。電動車現在主要包括電動自行車、電動二輪摩托車、電動三輪車、電動三輪摩托車、電動四輪車、電瓶車等,電動車控制器也因為不同的車型而有不同的性能和特點。
電動車控制器工作原理
簡略地講控制器是由周邊器件和主芯片(或單片機)組成。周邊器件是一些功能器件,如執行、采樣等,它們是電阻、傳感器、橋式開關電路,以及輔助單片機或專用集成電路完成控制過程的器件;單片機也稱微控制器,是在一塊集成片上把存貯器、有變換信號語言的譯碼器、鋸齒波發生器和脈寬調制功能電路以及能使開關電路功率管導通或截止、通過方波控制功率管的的導通時間以控制電機轉速的驅動電路、輸入輸出端口等集成在一起,而構成的計算機片。這就是電動自行車的智能控制器。
控制器的設計品質、特性、所采用的微處理器的功能、功率開關器件電路及周邊器件布局等,直接關系到整車的性能和運行狀態,也影響控制器本身性能和效率。不同品質的控制器,用在同一輛車上,配用同一組相同充放電狀態的電池,有時也會在續駛能力上顯示出較大差別。
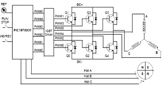
24v電動車控制器電路
下圖是一個24V電動自行車用無刷控制器電路。圖中三只接在VCC和VB之間的二極管為隔離二極管,接在VB和VS之間的電容為自舉電容。
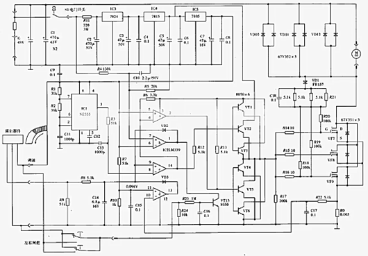
48v電動車控制器電路
48V/500W有刷電動機控制器電路(LM339)
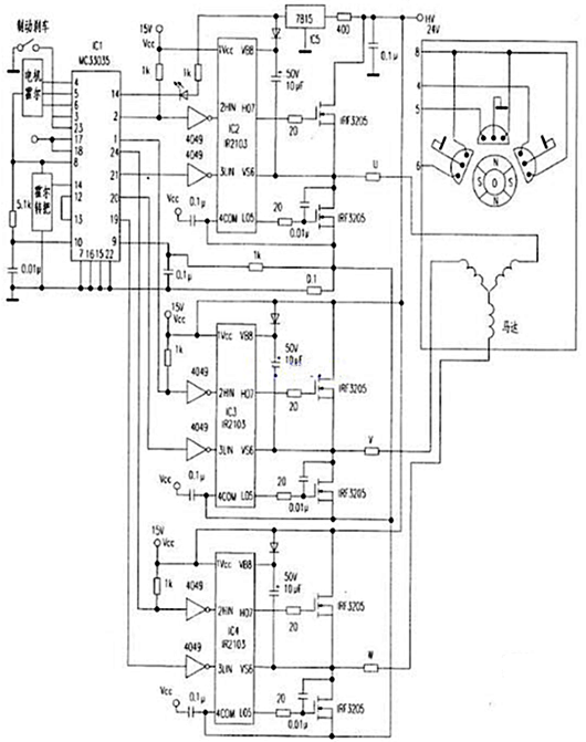
60v電動車控制器電路
聯系方式:鄒先生
聯系電話:0755-83888366-8022
手機:18123972950(微信同號)
QQ:2880195519
聯系地址:深圳市福田區金田路3037號金中環國際商務大廈2109
請搜微信公眾號:“KIA半導體”或掃一掃下圖“關注”官方微信公眾號
請“關注”官方微信公眾號:提供 MOS管 技術幫助
免責聲明:本網站部分文章或圖片來源其它出處,如有侵權,請聯系刪除。
