大功率逆變器電路分享,原理圖詳細分析-KIA MOS管
信息來源:本站 日期:2024-06-11
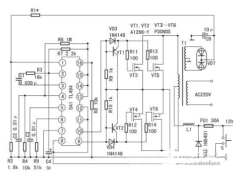
下圖為利用TL494組成的400W大功率穩壓逆變器電路。它激式變換部分采用TL494,VT1、VT2、VD3、VD4構成灌電流驅動電路,驅動兩路各兩只60V/30A的MOSFET開關管。如需提高輸出功率,每路可采用3~4只開關管并聯應用,電路不變。
第1、2腳構成穩壓取樣、誤差放大系統,正相輸入端1腳輸入逆變器次級取樣繞組整流輸出的15V直流電壓,經R1、R2分壓,使第1腳在逆變器正常工作時有近4.7~5.6V取樣電壓。反相輸入端2腳輸入5V基準電壓(由14腳輸出)。
當輸出電壓降低時,1腳電壓降低,誤差放大器輸出低電平,通過PWM電路使輸出電壓升高。正常時1腳電壓值為5.4V,2腳電壓值為5V,3腳電壓值為0.06V。此時輸出AC電壓為235V(方波電壓)。
第4腳外接R6、R4、C2設定死區時間。正常電壓值為0.01V。第5、6腳外接CT、RT設定振蕩器三角波頻率為100Hz。正常時5腳電壓值為1.75V,6腳電壓值為3.73V。第7腳為共地。第8、11腳為內部驅動輸出三極管集電極,第12腳為TL494前級供電端,此三端通過開關S控制TL494的啟動/停止,作為逆變器的控制開關。
當S1關斷時,TL494無輸出脈沖,因此開關管VT4~VT6無任何電流。S1接通時,此三腳電壓值為蓄電池的正極電壓。第9、10腳為內部驅動級三極管發射極,輸出兩路時序不同的正脈沖。正常時電壓值為1.8V。
第13、14、15腳其中14腳輸出5V基準電壓,使13腳有5V高電平,控制門電路,觸發器輸出兩路驅動脈沖,用于推挽開關電路。第15腳外接5V電壓,構成誤差放大器反相輸入基準電壓,以使同相輸入端16腳構成高電平保護輸入端。
此接法中,當第16腳輸入大于5V的高電平時,可通過穩壓作用降低輸出電壓,或關斷驅動脈沖而實現保護。在它激逆變器中輸出超壓的可能性幾乎沒有,故該電路中第16腳未用,由電阻R8接地。
該功率逆變器電路將提供非常穩定的“方波”輸出電壓。操作頻率由電位器決定,通常設置為60 Hz。可以使用各種“現成的”變壓器。或者自定義風自己以獲得最佳效果。
額外的MOS管可以并聯以獲得更高的功率。建議在電源線上安裝“保險絲”并始終連接“負載”,同時接通電源。保險絲額定電壓為32伏,每100瓦輸出應大約為10安培。電源引線必須足夠重,以處理此高電流消耗。適當的散熱器應該用在RFP50N06上。
聯系方式:鄒先生
聯系電話:0755-83888366-8022
手機:18123972950(微信同號)
QQ:2880195519
聯系地址:深圳市福田區金田路3037號金中環國際商務大廈2109
請搜微信公眾號:“KIA半導體”或掃一掃下圖“關注”官方微信公眾號
請“關注”官方微信公眾號:提供 MOS管 技術幫助
免責聲明:本網站部分文章或圖片來源其它出處,如有侵權,請聯系刪除。
