負載開關電路,MOSFET負載開關,電路原理圖-KIA MOS管
信息來源:本站 日期:2025-04-24
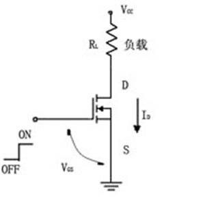
如圖所示,負載接在電源與漏極之間。在其柵極上加一個邏輯高電平,則N-MOSFET導通,負載得電;在其柵極加一個邏輯低電平,則N-MOSFET關斷,負載失電。
可以看出,負載開關接是在電源與負載之間,用邏輯電平來控制通、斷,使負載得電或失電的功率器件。由于開關在負載的下邊,一般稱為低端負載開關。
如果負載是一個要求接地的電路(如功率放大電路、發射電路或接收電路等),則低端負載開關不能用,要采用高端負載開關。
高端負載開關主要由P溝道MOSFET組成,如圖所示。
圖(a)是由一個P-MOSFET與一個反相器組成的,圖(b)是由一個P-MOSFET與一個N-MOSFET組成的。開關在負載的上面,稱高端負載開關。
負載開關電路是主要用來控制后級負載的電源開關。可以直接用IC也可以用分立器件搭建,分立器件主要用PMOS加三極管實現。
電路分析如下圖所示:
R5模擬后級負載,Q1為開關,當R3端口的激勵源為高電平時,Q2飽和導通,MOS管QQ1的VGS<VGSth導通,R5負載上電,關斷時負載下電。電路中R3為三極管Q2的限流電阻,R4為偏置電阻,R1R2為Q1的柵極分壓電阻,C1C2為輸出濾波電容。
聯系方式:鄒先生
座機:0755-83888366-8022
手機:18123972950(微信同號)
QQ:2880195519
聯系地址:深圳市龍華區英泰科匯廣場2棟1902
搜索微信公眾號:“KIA半導體”或掃碼關注官方微信公眾號
關注官方微信公眾號:提供 MOS管 技術支持
免責聲明:網站部分圖文來源其它出處,如有侵權請聯系刪除。
