三相電動機正反轉控制電路原理圖-KIA MOS管
信息來源:本站 日期:2026-01-04
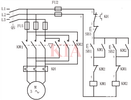
實現正反轉控制,需要用到兩個交流接觸器,一個接觸器對應正轉控制,一個接觸器實現反轉控制。
當按下正轉啟動按鈕SB1時,交流接觸器KM1線圈得電自鎖,同時KM1的常閉點斷開切斷反轉的控制回路實現互鎖,當按下停止按鈕SB3時,KM1線圈失電,當按下反轉啟動按鈕SB2時,接觸器KM2線圈得電并自鎖,同時KM2的常閉點斷開切斷正轉的控制回路實現互鎖,當按下停止按鈕SB3時,接觸器KM2線圈失電。
這種屬于點動控制,常見的電動葫蘆、行車都是點動控制,如果想實現自鎖控制,可以在現有的基礎上用啟動按鈕并聯對應的接觸器的輔助常開點,實現自保持控制。
這種就是帶自鎖的正反轉控制,KM1和KM2之間為電氣互鎖,這樣控制更加的安全。
如圖所示,按鈕SB1和SB2是復合按鈕。
正反轉控制:SB1按鈕按下后,電動機正轉;SB2按鈕按下后,電動機反轉。
正反轉直接切換,不用按停止按鈕。
聯系方式:鄒先生
座機:0755-83888366-8022
手機:18123972950(微信同號)
QQ:2880195519
聯系地址:深圳市龍華區英泰科匯廣場2棟1902
搜索微信公眾號:“KIA半導體”或掃碼關注官方微信公眾號
關注官方微信公眾號:提供 MOS管 技術支持
免責聲明:網站部分圖文來源其它出處,如有侵權請聯系刪除。
