反激開關電源環路設計,實例方案-KIA MOS管
信息來源:本站 日期:2024-06-24
開關電源設計中,AC-DC的環路布局對于整個電源系統的性能至關重要。良好的布局可以提高電源的效率,減少電磁干擾(EMI),并確保系統的穩定性和可靠性。
隔離電源方案
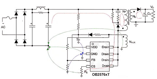
如反激式原邊控制電源,典型應用原理圖中,有4個環路:
Loop1:原邊主功率環路
Loop2:RCD吸收環路
Loop3:VDD環路
Loop4:Vout環路
在環路設計時,Loop1、2、3的環路面積要盡量小,在Loop1中,走線還應盡量粗以優化效率,在Loop3中,VDD電容C3應緊貼芯片。
在GND走線設計時,輔助繞組應直接連接到輸入電容的地,如Line1所示;VDD電容C3及FB下阻R5應先連接到芯片的GND管腳,再連接到輸入電容的地。
以OB2576XT為例,其原理圖&布局設計建議如下:
非隔離電源方案
非隔離方案,典型應用原理圖中,有兩個環路:
Loop1:源開關環路
Loop2:續流環路
在Layout時,應讓環路面積盡量小,且在滿足環路面積小的前提下,功率電感L3盡量原理母線上的π濾波電路。反饋電阻 R4 和 R3 靠近芯片引腳放置。芯片的旁路電容靠近芯片引腳放置。
在該轉換電路中,LX(Drain)是主電源的DC定點,可以在電流主回路走線上增加敷銅面積來改善電源散熱,提高電源性能;ISET(SOURSE)是電源的開關動點,可以盡量縮短 SOURSE 和功率電感間的線徑來改善 EMI 的特性。
聯系方式:鄒先生
聯系電話:0755-83888366-8022
手機:18123972950(微信同號)
QQ:2880195519
聯系地址:深圳市福田區金田路3037號金中環國際商務大廈2109
請搜微信公眾號:“KIA半導體”或掃一掃下圖“關注”官方微信公眾號
請“關注”官方微信公眾號:提供 MOS管 技術幫助
免責聲明:本網站部分文章或圖片來源其它出處,如有侵權,請聯系刪除。
